Technical support技术支持
1. 如何选择晶体的负载电容 CL?
1) IC 推荐的晶体负载电容CL
2) 经验值计算
CL≈C1*C2/(C1+C2)+Cs
(HC-49S系列:Cs=6pF;SMD系列:Cs=3pF)
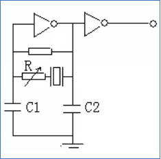
C1,C2:晶体两端的对地电容
3) 做匹配实验
使用不同负载电容的晶体,测试电路的输出频率,找到与电路匹配的负载电容CL
2. 怎么测试电路的负阻特性?
根据振荡线路的负阻值可确认线路维持正常工作时晶体所容许的最大阻抗。
负性阻抗测量方式如下:
⑴ 串联一电阻(R)至Crystal之端点。调整R之值,使Crystal由起振至停止振荡。
⑵ 当回路由起振至停止振荡时测量R的值,得到负性阻抗值∣-R∣=R+Rr
稳定的振荡回路,其负性阻抗值(-R)需至少为石英晶体谐振器阻抗的5倍以上,
即:∣-R∣>5Rr,方能形成稳定振荡回路。
建议:基频振荡电路的∣-R∣值应不小于晶体电阻规格的10倍,
泛音振荡电路的∣-R∣值应不小于晶体电阻规格的5倍。
一般情况下,减小晶体两端的接地电容 C1 C2,可以提高负阻值。






