Technical support技术支持
1. 如何选择晶体的负载电容 CL?
1) IC 推荐的晶体负载电容CL
2) 经验值计算
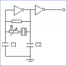
CL≈C1*C2/(C1+C2)+Cs
(HC-49S系列:Cs=6pF;SMD系列:Cs=3pF)
C1,C2:晶体两端的对地电容
3) 做匹配实验
使用不同负载电容的晶体,测试电路的输出频率,找到与电路匹配的负载电容CL
2. 调整频差
规定条件下,某温度范围内的工作频率相对标称频率的最大偏离值
3. 温度频差
在工作温度范围内的工作频率相对标称频率的最大偏离值
石英晶体谐振器产生的频率虽然很稳定,但它受到温度的影响。决定石英晶体谐振器频率温度特性的主要因素是石英晶片的切割方位,一旦石英晶片的切割方位确定后,它的温度特性曲线形状也就基本确定。频率温度特性通常用下式表示:
F=F0[1+a0(T-T0)+b0(T-T0)2+c0(T-T0)3]
T------- (任意温度)
T0----- (参考温度)
F------- (T时的频率)
F0 ------ (T0时的频率)
a0、b0、c0------参考温度T0时的一、二、三级频率温度系数
AT切的温度特性图
移动通讯领域,受限于目前AT切晶体的温度特性,可以通过温度补偿来达到精度要求。
4. Ts 负载的牵引量
Ts值是对晶体对负载电容敏感程度的一种具体描述,它的定义是:在特定负载条件下,1pF负载电容变化时,晶体的频率变化量,单位用ppm/pF。
在一般的频率信号电路中,则要求Ts越小越好,因为只有这样才可能使振荡频率受外电路或者环境的影响减小到最低,以保证电路中振荡频率的稳定性。
5. DLD 阻抗对激励电平的依赖性
DLD表示激励电平变化时晶体谐振阻抗变化量,也是晶体阻抗对激励电平的依赖性,晶体表面有质量的东西造成DLD不良。
6. SPDB 寄生
由于晶片厚度不均匀,会产生寄生,对高频影响尤为明显。
7. 电路的负阻特性
根据振荡线路的负阻值可确认线路维持正常工作时晶体所容许的最大阻抗。
负性阻抗测量方式如下:
⑴ 串联一电阻(R)至Crystal之端点。调整R之值,使Crystal由起振至停止振荡。
⑵ 当回路由起振至停止振荡时测量R的值,得到负性阻抗值∣-R∣=R+Rr
稳定的振荡回路,其负性阻抗值(-R)需至少为石英晶体谐振器阻抗的5倍以上,
即:∣-R∣>5Rr,方能形成稳定振荡回路。
建议:基频振荡电路的∣-R∣值应不小于晶体电阻规格的10倍,
泛音振荡电路的∣-R∣值应不小于晶体电阻规格的5倍。
一般情况下,减小晶体两端的接地电容 C1 C2,可以提高负阻值。






